CBMC E4 24DC/1-10A NO-C
-
Electronic circuit breaker
2908716
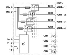
Multi-channel electronic circuit breaker that can be preconfigured, for protecting four loads at 24 V DC in the event of overload and short circuit. With electronic locking of the set nominal currents. For installation on DIN rails.
Tuotetiedot
| General | |
| Note | Repeated hard short circuits can reduce the melting integral of the integrated backup fuse. |
| Product type | Device circuit breakers |
| Product family | CBMC |
| Type | DIN rail module, one-piece |
| Number of positions | 1 |
| No. of channels | 4 |
| Insulation characteristics | |
| Protection class | III |
| Pollution degree | 2 |
| General | |
| Operating voltage | 18 V DC ... 30 V DC |
| Rated voltage | 24 V DC |
| Rated current IN | max. 40 A DC (IN+) |
| max. 40 A DC (per terminal position when bridging additional devices via IN+) | |
| Rated current IN | 1 / 2 / 3 / 4 / 5 / 6 / 7 / 8 / 9 / 10 A DC (adjustable or fixed per output channel) |
| Rated surge voltage | 0.5 kV |
| Tripping method | E (electronic) |
| Feedback resistance | max. 35 V DC |
| Required backup fuse | Only required if Imax of the power supply > the short-circuit switching capacity. Integrated failsafe element. |
| Short-circuit switching capacity | 300 A |
| Dielectric strength | max. 35 V DC (Load circuit) |
| Fuse | electronic |
| Efficiency | > 99 % |
| Closed circuit current I0 | typ. 25 mA |
| Power dissipation | typ. 0.6 W (No-load operation) |
| < 9 W (Nominal operation) | |
| Module initialization time | 1.6 s |
| Waiting time after switch off of a channel | 5 s (at overload / short circuit) |
| Measuring tolerance I | ± 15 % |
| Temperature derating | 24 A DC (at 60 °C) |
| 28 A DC (at 54 °C) | |
| 32 A DC (at 47 °C) | |
| 36 A DC (at 41 °C) | |
| 40 A DC (at 35 °C) | |
| MTBF (IEC 61709, SN 29500) | 8403361 h (at 25 °C with 21 % load) |
| 3067484 h (at 40°C with 34.25% load) | |
| 534188 h (at 35 °C with 100 % load) | |
| Fail-safe element | 15 A DC (per output channel) |
| Contact switching type | without electrical isolation |
| Load circuit | |
| Shutdown time | ≤ 10 ms (for short circuit > 2.0 x IN) |
| 1 s (1.2 ... 2.0 x IN) | |
| Undervoltage switch-off | ≤ 17.8 V DC (active) |
| ≥ 18.8 V DC (inactive) | |
| Overvoltage switch-off | ≥ 30.5 V DC (active) |
| ≤ 29.5 V DC (inactive) | |
| Max. capacitive load | 45000 µF (Depending on the current setting and the short-circuit current available) |
| Switch-on delay | 0.1 s (per output channel) |
| Indicator/remote signaling | |
| Connection name | Remote indication circuit |
| Switching function | N/O contact |
| Operating voltage | 0 V DC ... 30 V DC |
| Operating current | 100 mA DC |
| Main circuit IN+ | |
| Connection method | Push-in connection |
| Stripping length | 15 mm |
| Conductor cross-section rigid | 0.2 mm² ... 10 mm² |
| Conductor cross-section AWG | 24 ... 8 |
| Conductor cross-section, flexible, with ferrule, with plastic sleeve | 0.25 mm² ... 4 mm² |
| Conductor cross-section flexible, with ferrule without plastic sleeve | 0.25 mm² ... 6 mm² |
| Main circuit IN- | |
| Connection method | Push-in connection |
| Stripping length | 10 mm |
| Conductor cross-section rigid | 0.2 mm² ... 2.5 mm² |
| Conductor cross-section AWG | 24 ... 12 |
| Conductor cross-section, flexible, with ferrule, with plastic sleeve | 0.25 mm² ... 1.5 mm² |
| Conductor cross-section flexible, with ferrule without plastic sleeve | 0.25 mm² ... 2.5 mm² |
| Main circuit OUT | |
| Connection method | Push-in connection |
| Stripping length | 10 mm |
| Conductor cross-section rigid | 0.2 mm² ... 2.5 mm² |
| Conductor cross-section AWG | 24 ... 12 |
| Conductor cross-section, flexible, with ferrule, with plastic sleeve | 0.25 mm² ... 1.5 mm² |
| Conductor cross-section flexible, with ferrule without plastic sleeve | 0.25 mm² ... 2.5 mm² |
| Remote indication circuit | |
| Connection method | Push-in connection |
| Stripping length | 10 mm |
| Conductor cross-section rigid | 0.2 mm² ... 2.5 mm² |
| Conductor cross-section AWG | 24 ... 12 |
| Conductor cross-section, flexible, with ferrule, with plastic sleeve | 0.25 mm² ... 1.5 mm² |
| Conductor cross-section flexible, with ferrule without plastic sleeve | 0.25 mm² ... 2.5 mm² |
| Channel LED off | off (Channel switched off) |
| Channel LED yellow | lit (Channel switched on, channel load > 80% ) |
| flashing (Programming mode active) | |
| Channel LED green | lit (Channel switched on) |
| Channel LED red | lit (Channel switched off, over- or undervoltage active) |
| ON temporarily (Channel switched off, 5 s cool-down phase, overload or short-circuit release) | |
| flashing (Channel switched off, ready to be switched back on, overload or short-circuit release) | |
| two flashes (Channel switched off, device total current limit 40 A exceeded) |
| Dimensional drawing |
|
| Width | 36 mm |
| Height | 90 mm |
| Depth | 98 mm (incl. DIN rail 7.5 mm) |
| Material | PC |
| PA 6.6 | |
| PA 6.3T | |
| POM | |
| Flammability rating according to UL 94 | V-0 |
| Ambient conditions | |
| Degree of protection | IP20 |
| Ambient temperature (operation) | -25 °C ... 60 °C |
| Ambient temperature (storage/transport) | -40 °C ... 70 °C |
| Altitude | ≤ 3000 m up to 52 °C (amsl) |
| ≤ 4000 m up to 46 °C (amsl) | |
| Humidity test | 96 h, 95 % RH, 40 °C |
| Shock (operation) | 30g (IEC 60068-2-27, Test Ea) |
| Vibration (operation) | 10 Hz ... 57.6 Hz (Amplitude ±0.35 mm; in accordance with IEC 60068-2-6, Test Fc) |
| 57.6 Hz ... 150 Hz (Acceleration 5g; in accordance with IEC 60068-2-6, Test Fc) | |
| UL approval | |
| Identification | UL/C-UL Listed UL 508 |
| UL Recognized UL 2367 | |
| Corrosive gas test | |
| Identification | ISA S71.04.2013 G3 Harsh Group A |
| Standards/specifications | EN 61000-6-2 |
| Note | EMC – Immunity for industrial areas |
| Standards/specifications | EN 61000-6-3 |
| Note | EMC – Emission for residential, business and commercial properties and small operations |
| Standards/specifications | EN 60068-2-6 |
| Note | Environmental influences – Vibrations (sinusoidal) |
| Standards/specifications | EN 60068-2-27 |
| Note | Environmental influences – Shocks |
| Standards/specifications | EN 60068-2-78 |
| Note | Environmental influences – Moisture and heat, constant |
| Standards/specifications | EN 50178 |
| Note | Equipping power installations with electronic equipment |
| Mounting type | DIN rail: 35 mm |
| Tuotenumero | 2908716 |
| Pakkausyksikkö | 1 Kappaletta |
| Vähimmäistilausmäärä | 6 Kappaletta |
| Huomautus | Toimeksiantosidonnainen valmistus (ei palautusta) |
| Tuoteavain | CLA152 |
| Tuotekoodi | CLA152 |
| Paino kappaletta kohti (sis. pakkauksen) | 142 g |
| Paino kappaletta kohti (ilman pakkausta) | 123 g |
| Tullitariffinumero | 85362010 |
| Alkuperämaa | DE |
ECLASS
| ECLASS-13.0 | 27140401 |
| ECLASS-15.0 | 27140401 |
ETIM
| ETIM 9.0 | EC003538 |
UNSPSC
| UNSPSC 21.0 | 39121400 |
| EU RoHS | |
| Täyttää RoHS-direktiivin vaatimukset | Kyllä |
| poikkeussäännökset siltä osin kuin ne ovat tiedossa | 7(a), 7(c)-I |
| China RoHS | |
| Environment friendly use period (EFUP) |
EFUP-50
Löydät tuotekohtaisen Kiinan RoHS-ilmoitusluettelon kunkin tuotteen latausalueelta Valmistajan ilmoitus -kohdasta. EFUP-E-merkinnän sisältäville tuotteille ei tarvita Kiinan RoHS-ilmoitusluetteloa, eikä sitä tarvitse siksi laatia.
|
| EU REACH SVHC | |
| Huomautus REACH-kandidaattiaineesta (CAS-nro) | Lead (CAS-nro: 7439-92-1) |
| Perfluorobutane sulfonic acid (PFBS) and its salts (CAS-nro: Ei koske tätä tuotetta) | |
| EF3.0 Ilmastonmuutos | |
| CO2e kg | 5,547 kg CO2e |
Yhteensopivat tuotteet
-
EML (10X7)R - Label 0816663
-
EML-ESD (20X7)R - Equipment marking 0830567
-
QUINT4-PS/1AC/24DC/10 - Power supply 2904601
-
QUINT4-PS/1AC/24DC/20 - Power supply 2904602
-
QUINT4-PS/3AC/24DC/10 - Power supply 2904621
-
QUINT4-PS/3AC/24DC/20 - Power supply 2904622
-
TRIO-PS-2G/1AC/24DC/10 - Power supply 2903149
-
TRIO-PS-2G/1AC/24DC/20 - Power supply 2903151
-
TRIO-PS-2G/3AC/24DC/5 - Power supply 2903153
-
TRIO-PS-2G/3AC/24DC/10 - Power supply 2903154
-
TRIO-PS-2G/3AC/24DC/20 - Power supply 2903155
-
TRIO-PS-2G/3AC/24DC/40 - Power supply 2903156
Edut
Easy device replacement without replanning, thanks to compact design and options for individual adjustments
Circuits can be adjusted without any tools by means of one single pushable LED button
Pre-configuration available – for device protection that meets the specific requirements of your system
Reliable protection against unintentional adjustment of current values, thanks to electronic locking
Status LEDs in traffic light colors enable instantaneous determination of operating states
PHOENIX CONTACT OY
Niittytie 11, 01300 Vantaa