ELR W3/ 9-400 - Irányváltó teljesítményrelé
2964173

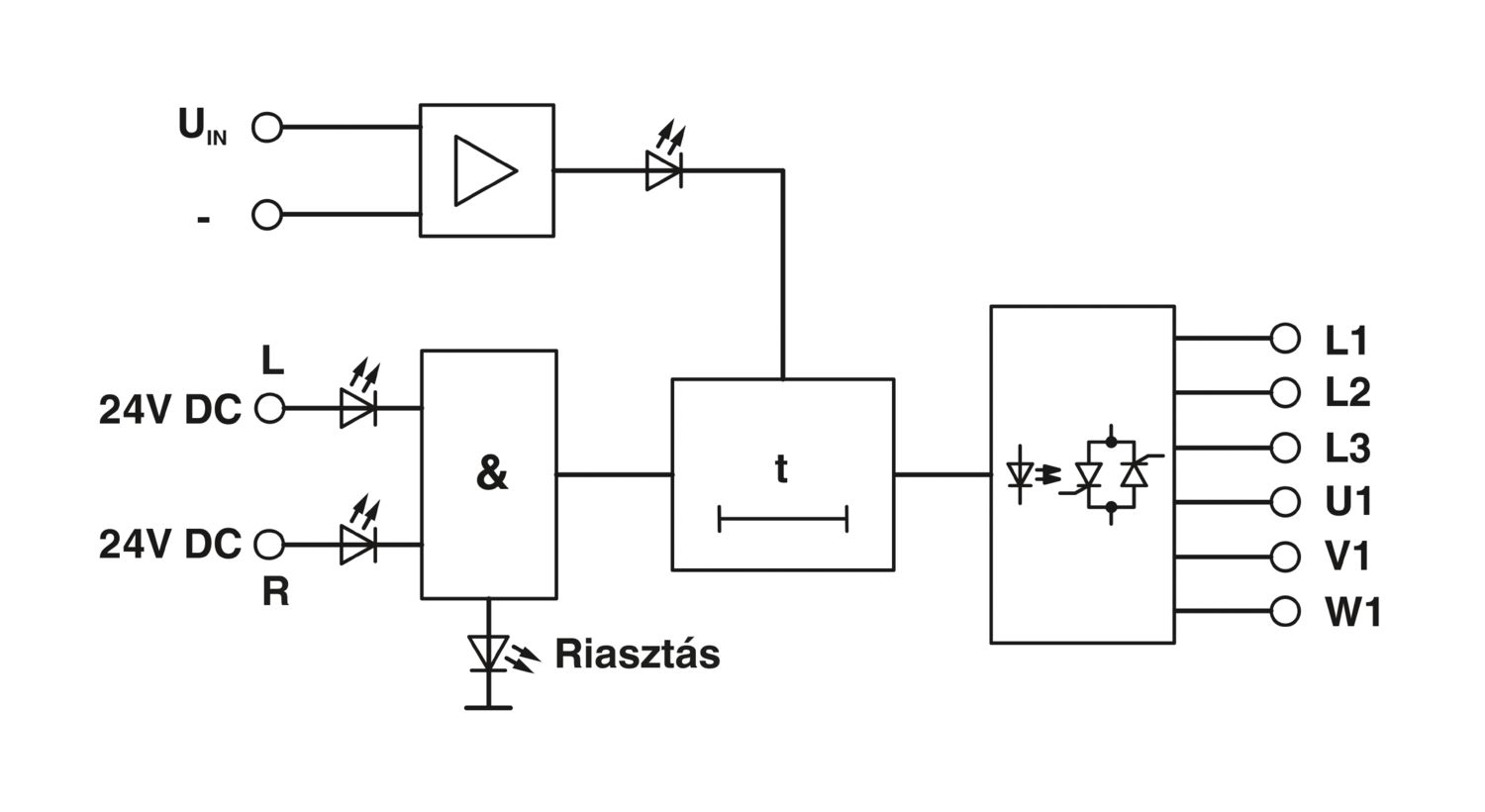
elektronikus terhelésfordító jelfogó, fogyasztók közvetlen megvezérlésére 3-fázisú hálózatban, fényjelzővel és védőkapcsolással, kimenet: 110-440 V AC/3 x 9 A

Termékrészletek








Kompatibilis termékek


Az Ön előnyei

Magas kapcsolási frekvencia
Zajtalan és kopásmentes kapcsolás 500 V AC/9 A-ig
Védőkapcsolás a be- és kimeneten
Világító kijelzés a jobbra és balra forgás, az üzemi feszültség és a nem megengedett vezérlés kijelzésére