ELR W3/ 9-500 - Relé de carga reversível
2964186

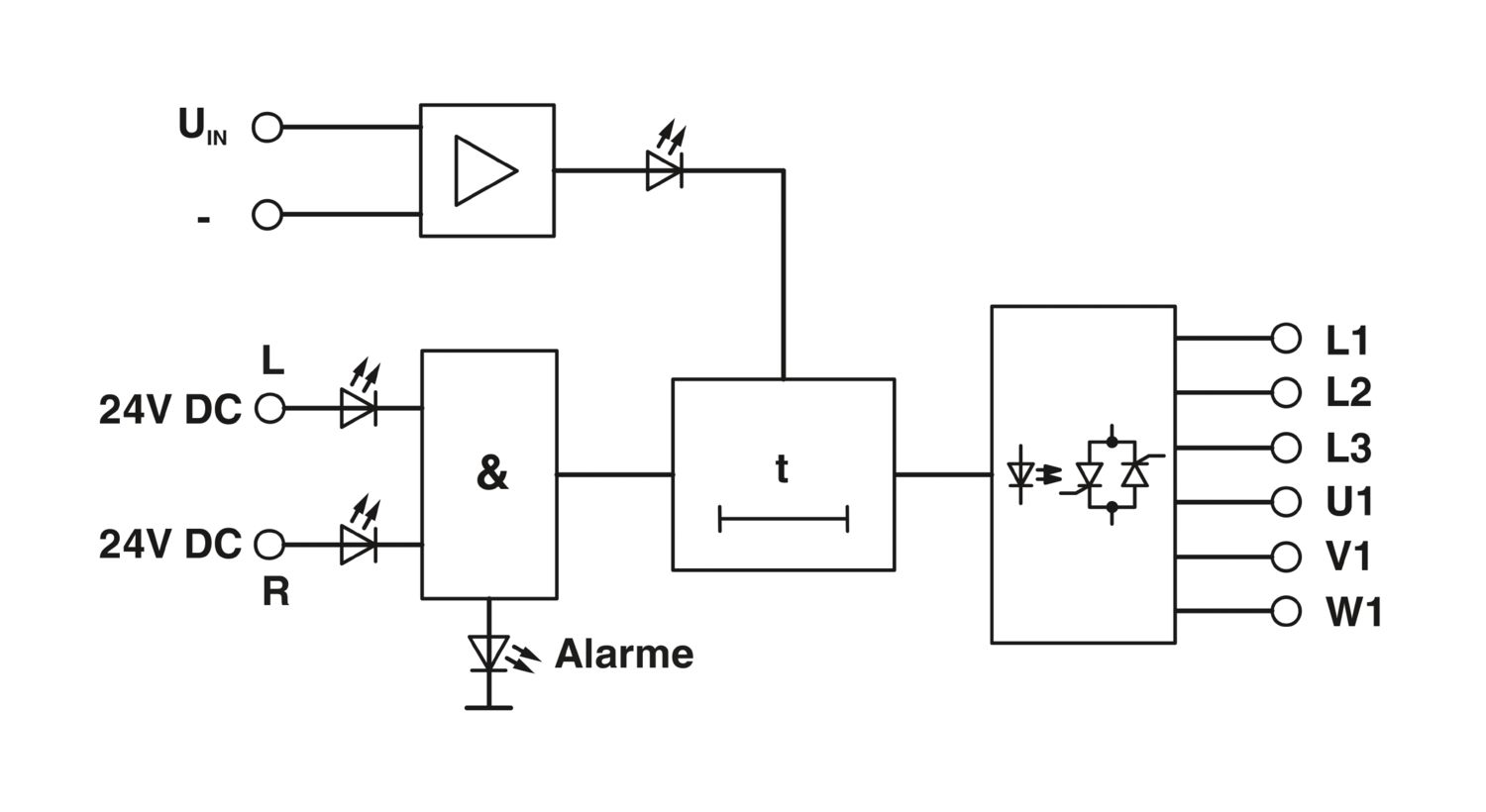
Relé eletrônico de inversão de carga, para comando direto de usuários na rede trifásica, com LED e equipamento de proteção, saída: 110-550 V AC/3 x 9 A

Detalhes do produto








Produtos compatíveis


Suas vantagens

Alta frequência de comutação
Comutação sem ruído e sem desgaste até 500 V AC/9 A
Ligação de proteção na entrada e saída
Indicação luminosa para movimento para frente e para trás, tensão operacional e controle não admissível