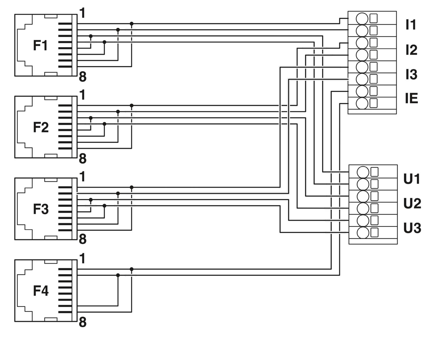
Tragschienen montierbare Merging Unit im Aluminiumgehäuse, zum Anschluss von 3 Spannungssensoren und 4 Stromsensoren mittels Federkraftklemmen. Die Ausgabe der Signale erfolgt mittels RJ45-Buchsen.
CUC-PP-M/R4FK
-
Patch-Panel
1416037
Mergin Unit mit 4 RJ45 Ports
Produktdetails
Kompatible Produkte
Ihre Vorteile
Leichte Montage