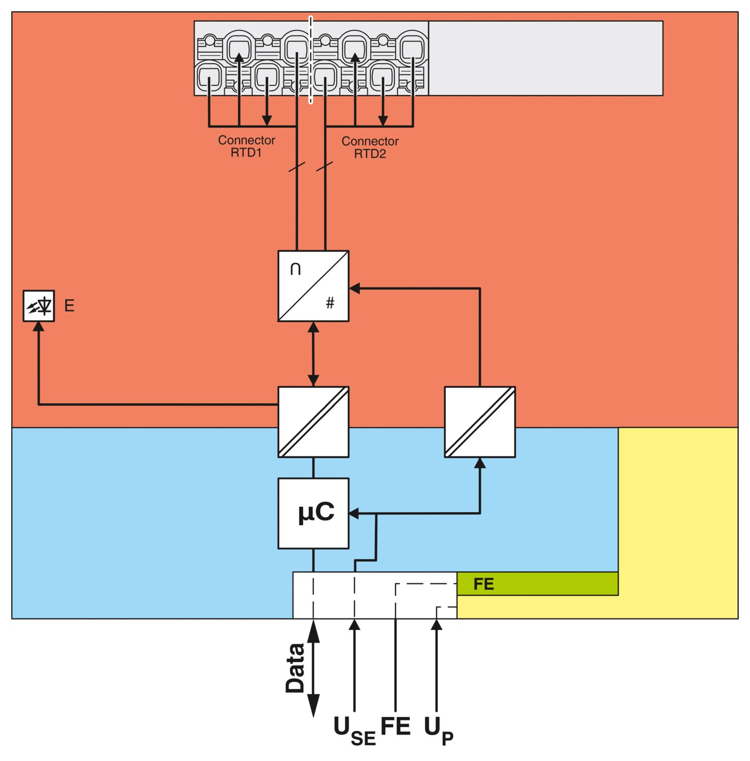
Vous pouvez intégrer les Axioline Smart Elements dans les systèmes munis d'une interface Smart Element. Ce Smart Element détecte les signaux des sondes de température résistives.
AXL SE RTD2 PT100 EA
-
Module de température
1398500
Axioline Smart Elements, Module de détermination de la température, Saisie des capteurs de température Pt 100, Entrées analogiques capteurs RTD: 2 (Pt 100), connectique: 4 fils, indice de protection: IP20
Pour fonctionner, ce produit a besoin d'autres produits.
Accessoires nécessaires
Informations détaillées concernant le produit
Dessin coté |
|
Largeur | 14,9 mm |
Hauteur | 62,2 mm |
Profondeur | 62 mm |
Interface Smart Element | |
Nombre d'interfaces | 1 |
Type de raccordement | Connecteurs Card Edge |
Vitesse de transmission | Voir le système dans lequel vous utilisez le Smart Element. |
Heure de démarrage jusqu'à la disponibilité | < 1 s |
Module | |
Code ID (hex) | none |
Canal des données de process | 64 Bit |
Espace d'adressage d'entrées | 4 Octet |
Espace d'adressage des sorties | 4 Octet |
Analogique | |
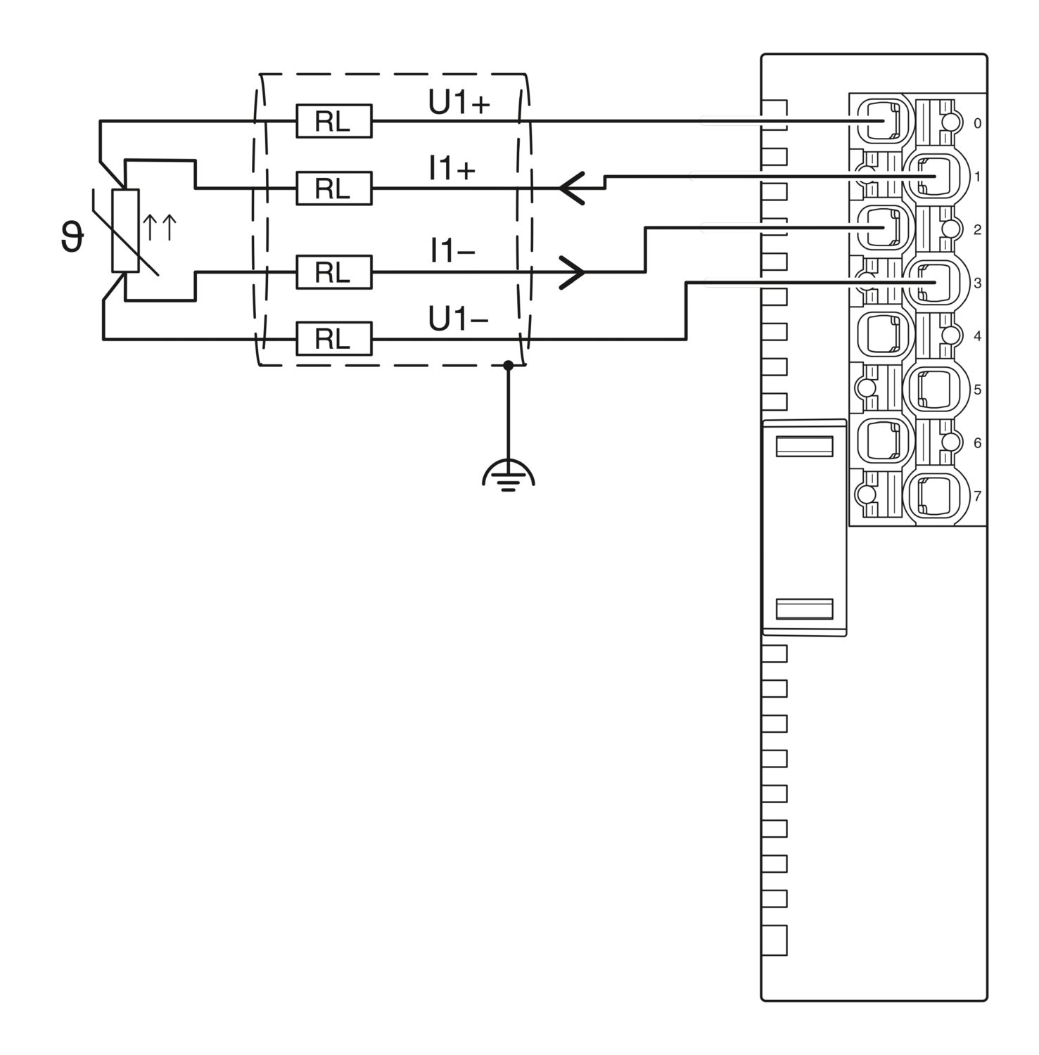
Dénomination entrée | Entrées analogiques capteurs RTD |
Description de l'entrée | Entrées pour capteurs de température résistifs |
Nombre d'entrées | 2 (Pt 100) |
Type de raccordement | Raccordement Push-in |
Technologie de raccordement | 4 fils |
Remarque relative à la connectique | blindé, possibilité de raccorder des capteurs à 2, 3 ou 4 conducteurs |
Résolution convertisseur A/D | 16 Bit |
Types de capteurs utilisables (RTD) | Pt 100 (CEI 60751/EN 60751) |
Formats de données | Représentation normalisée |
Visualisation des valeurs mesurées | 16 bits (15 bits + signe) |
Valeur nominale des sources de courant | 1 mA (120 ms pendant la phase d'échantillonnage du canal concerné) |
Mise à jour des données de processus | typ. 1 ms |
Circuit de protection | Protection contre les surcharges; max. ±30 V DC, 1 min. |
Protection contre les transitoires |
Type de produit | Composants E/S |
Gamme de produits | Axioline Smart Elements |
Application | Saisie des capteurs de température Pt 100 |
Type | modulaire |
Position de montage | Voir le système dans lequel vous utilisez le Smart Element. |
Propriétés d'isolation | |
Catégorie de surtension | II (CEI 61010-2-201/EN CEI 61010-2-201) |
Degré de pollution | 2 (IEC 61010-2-201/EN 61010-2-201) |
Potentiels: Alimentation logique des Smart Elements (USE) | |
Tension d'alimentation | par les connecteurs Card Edge |
Potentiels: Alimentation périphérique (UP) | |
Tension d'alimentation | 24 V DC (par les connecteurs Card Edge) |
Plage de tension d'alimentation | 19,2 V DC ... 30 V DC (incl. toutes les tolérances, incl. ondulation) |
Consommation de courant | max. 12 mA |
typ. 8 mA | |
Consommation de courant | min. 5 mA (sans périphérique raccordé) |
Consommation de puissance | max. 290 mW |
min. 120 mW | |
Circuit de protection | Parafoudre basse tension; Voir le système dans lequel vous utilisez le Smart Element. |
Protection contre inversions de polarité; Diode contre inversions de polarité | |
Isolation galvanique / isolation des plages de tension | |
Tension d'essai: Alimentation de la logique/alimentation 24 V (périphérie) | 500 V AC, 50 Hz, 1 min |
Tension d'essai: Alimentation logique / Entrées et sorties analogiques | 500 V AC, 50 Hz, 1 min |
Tension d'essai: Alimentation de la logique/terre fonctionnelle | 500 V AC, 50 Hz, 1 min |
Tension d'essai: Alimentation 24 V (périphérie) / sorties et entrées analogiques | 2,5 kV |
Tension d'essai: Alimentation 24 V (périphérie) / terre fonctionnelle | 2,5 kV |
Tension d'essai: Sorties et entrées analogiques / terre fonctionnelle | 2,5 kV |
Technologie de raccordement | |
Dénomination connexion | Périphérie |
Remarque concernant la connectique | Respectez les valeurs relatives aux sections de conducteur indiquées dans le manuel d'utilisation « Axioline Smart Elements ». |
Raccordement du conducteur | |
Type de raccordement | Raccordement Push-in |
Section de conducteur rigide | 0,25 mm² ... 1,5 mm² |
Section de conducteur souple | 0,25 mm² ... 1,5 mm² |
Section conduct. AWG | 24 ... 16 |
Section de conducteur souple avec embout, sans douille en plastique | 0,25 mm² ... 1,5 mm² |
Section de conducteur souple avec embout et douille en plastique | 0,25 mm² ... 1,5 mm² |
Longueur à dénuder | 8 mm |
Périphérie | |
Type de raccordement | Raccordement Push-in |
Remarque concernant la connectique | Respectez les valeurs relatives aux sections de conducteur indiquées dans le manuel d'utilisation « Axioline Smart Elements ». |
Section de conducteur rigide | 0,25 mm² ... 1,5 mm² |
Section de conducteur souple | 0,25 mm² ... 1,5 mm² |
Section de conducteur AWG | 24 ... 16 |
Section de conducteur souple avec embout et douille en plastique | 0,25 mm² ... 1,5 mm² |
Section de conducteur souple avec embout, sans douille en plastique | 0,25 mm² ... 1,5 mm² |
Longueur à dénuder | 8 mm |
Conditions ambiantes | |
Température ambiante (fonctionnement) | -40 °C ... 70 °C |
Indice de protection | IP20 |
Pression atmosphérique (service) | 70 kPa ... 106 kPa (jusqu'à 3000 m d'altitude) |
Pression atmosphérique (stockage/transport) | 70 kPa ... 106 kPa (jusqu'à 3000 m d'altitude) |
Température ambiante (stockage/transport) | -40 °C ... 85 °C |
Humidité de l'air admissible (fonctionnement) | 5 % ... 95 % (pas de condensation) |
Humidité de l'air admissible (stockage/transport) | 5 % ... 95 % (pas de condensation) |
Classe de protection | III (CEI 61140, EN 61140, VDE 0140-1) |
Type de montage | Montage par enfichage (Emplacement Smart Element) |
Position de montage | Voir le système dans lequel vous utilisez le Smart Element. |
Référence | 1398500 |
Conditionnement | 1 Unité(s) |
Commande minimum | 1 Unité(s) |
Product key | DRMBAC |
GTIN | 4063151930417 |
Poids par pièce (emballage compris) | 33,9 g |
Poids par pièce (hors emballage) | 31,4 g |
Pays d'origine | DE |
ECLASS
ECLASS-13.0 | 27242601 |
ECLASS-15.0 | 27242601 |
EU RoHS | |
Conforme aux exigences de la directive RoHS | Oui |
sauf exceptions mentionnées | 7(a), 7(c)-I |
China RoHS | |
Environment friendly use period (EFUP) |
EFUP-50
Vous trouverez un tableau de déclaration conformément à lACPEIP (China RoHS) concernant les produits dans la zone de téléchargement du produit correspondant sous « Déclaration du fabricant ». Pour tous les produits avec EFUP-E, aucun tableau de déclaration conformément à lACPEIP (China RoHS) nest établi car cela nest pas nécessaire.
|
EU REACH SVHC | |
Indication de substance soumise à autorisation REACH (n° CAS) | Lead (n° CAS: 7439-92-1) |
Produits compatibles
-
SZS 0,4X2,5 VDE - Tournevis 1205037
-
CRIMPFOX 6 - Pince à sertir 1212034
-
CRIMPFOX DUO 10 - Pince à sertir 1031721
-
CRIMPFOX 10T-F - Pince à sertir 1134913
-
MM-TML (EX4,2)R C1 TR/BK - Etiquette 0803979
-
SK 5,0 WH:REEL - Bandes de repérage 0805221
-
UM6M-TM (5X12) - Repères pour blocs de jonction 0830928
-
UCT6M-TM 5 - Repères pour blocs de jonction 0830756
Avantages
2 canaux d'entrée analogiques pour le raccordement de résistances de mesure de température (Pt 100)
Raccordement des capteurs à 4 conducteurs
Possibilité de raccorder également des capteurs à 2 ou 3 conducteurs
Format des données : représentation normalisée
Résolution : 16 bits
Détection de rupture de fil
Comportement des valeurs de substitution paramétrable pour chaque entrée
Température ambiante de -40 °C ... 75 °C
Remplit les exigences environnementales et CEM selon CEI 61850-3
Plaque signalétique de l'appareil enregistrée
PHOENIX CONTACT Ltd
8240 Parkhill Drive, Milton, Ontario L9T 5V7