PTCB TM1 6A M1 NO P - Interruptores de protección de aparatos magnetotérmico
1575572

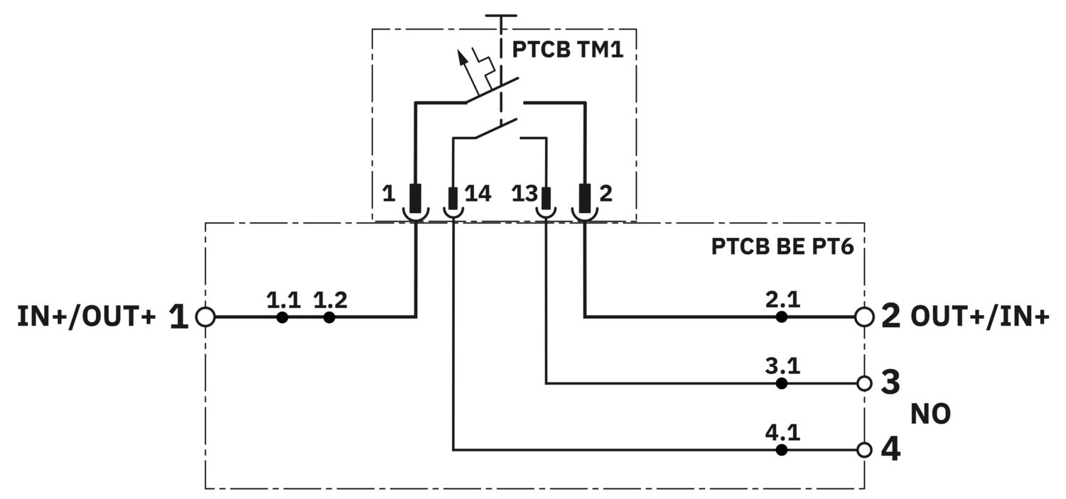
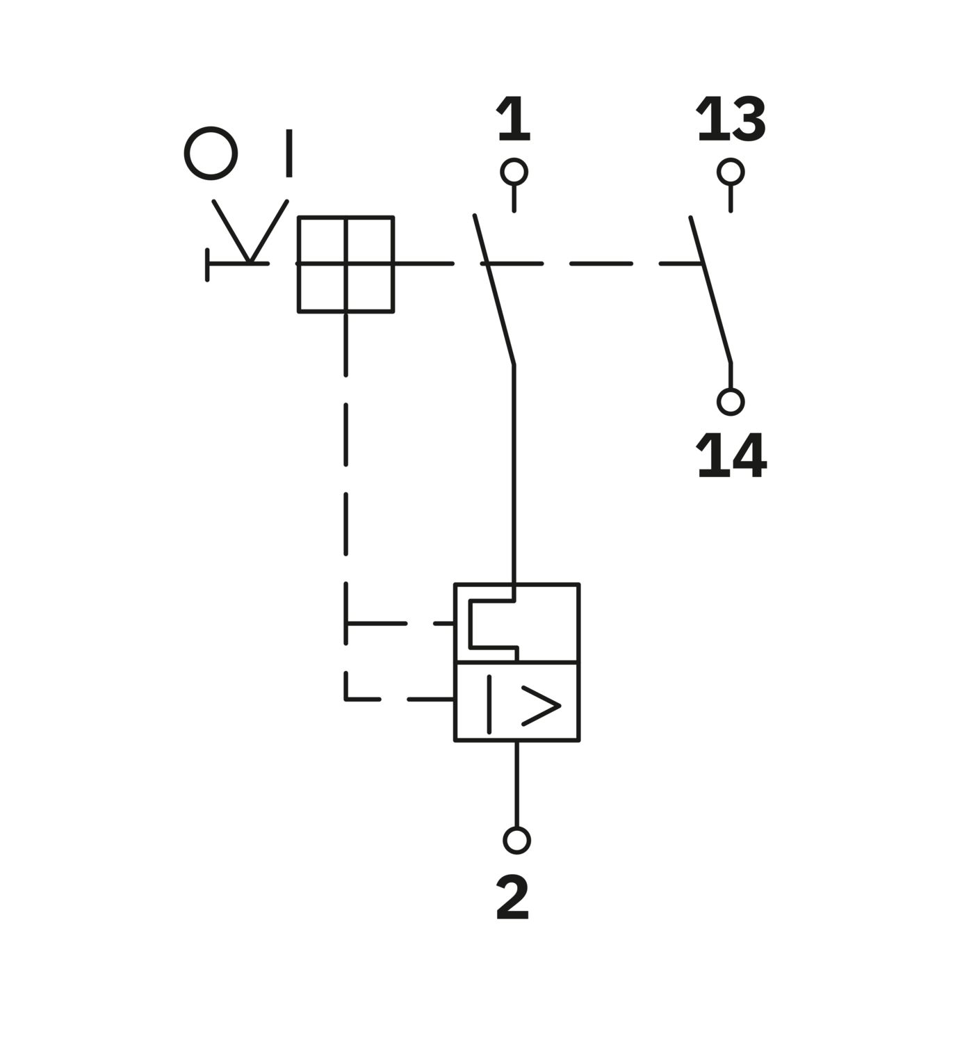
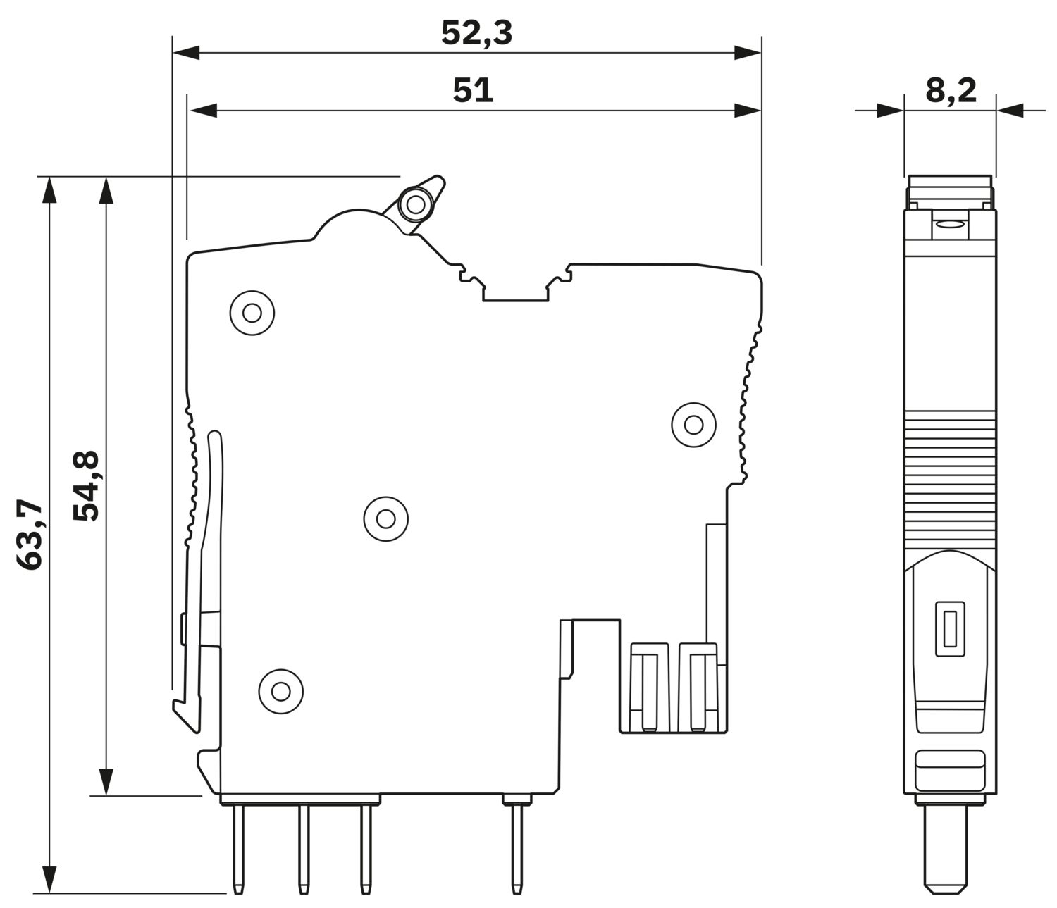
Interruptores de protección de aparatos magnetotérmico, 1-polos, curva característica de disparo: M1, clase de montaje: Con elemento de base sobre carril DIN de 35 mm según EN 60715, corriente asignada: 6 A

Este producto precisa otros productos para su funcionamiento. Accesorios necesarios

Detalles de producto









Productos compatibles




Sus ventajas

Más espacio en el armario de control: protección y señalización en tan solo 8 mm de anchura
Aplicaciones fáciles de diseñar gracias al uso flexible de conectores con corrientes nominales fijas
Transparencia del estado de carga y conmutación gracias a la señal remota integrada
Manejo lógico desde la puesta en servicio hasta el mantenimiento gracias a una funcionalidad y un estado de conmutación inequívocos en todo momento