The PSR-MIS non-contact safety switches offer a cost-optimized safety solution. The safety switches in this series use the proven magnetic switching principle for monitoring of movable guards and are easy to install.
    
  
  PSR-MIS-RS-S-NONC-M8-4P
   - 
  Safety switch sensor
    
      1534492
      
      
    
  
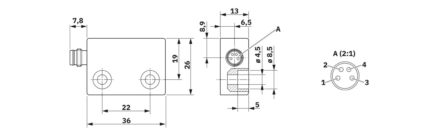
      Non-contact safety switch, sensor, up to Cat. 4, PL e (EN ISO 13849), SIL 3 (EN IEC 62061), design 4 (EN ISO 14119), low encoding level, 1 N/O contact, 1 N/C contact, status LED, compact design, 4-pos. M8 connector
Product details
cETL
Approval ID: Industrial componentFunctional Safety
Approval ID: Z1002942900060Rev.00Compatible products
Your advantages
Cost-optimized safety switch
        Tried-and-tested magnetic switching principle
        Compact design
        Can be used with reinforced actuator
        M8 connection technology