INTERBUS ST standard analog output modules
These 8-channel output modules are an inexpensive alternative in applications with many analog actuators.
In addition to the standard output voltage of -10 to +10 V, the IB ST 24 BAO 8/U offers an extended output range of -12 to +12 V.
If the high 12-bit resolution of the output value is not necessary, the IB ST 24 BAO 8/U-8B gives you the option of saving PLC memory by combining two channels of 8 bits each into one data word. Further features are:
- Diagnostic LEDs provide information on the operating status at any time.
- All modules can be individually labeled on the large pull-out labeling field. The insert cards can be prepared by hand, or by plotter or printer.
- In the event of failure or malfunction, the electronics of the module can be easily replaced. The passive termination block remains mounted on the rail. This means that the replacement process can be carried out in a just a few seconds and without the need for tools.
- The fuses are accessible from outside, so that a fault can be cleared quickly.
- The connection to protective earth ground is made directly via the DIN rail.
- The conventional labeling materials (Zack strip ZB-6, etc.) can be used to label the termination blocks.
IB ST 24 BAO 8/U-8B
-
I/O module
2721031
INTERBUS-ST analog output module, D/A resolution 13-bit, 8 outputs, 0 to 10 V, consisting of: Terminal part with screw connection and module electronics
Product details
Compatible products
Your advantages
Standard signal types (voltage and current)
Temperature measurement modules
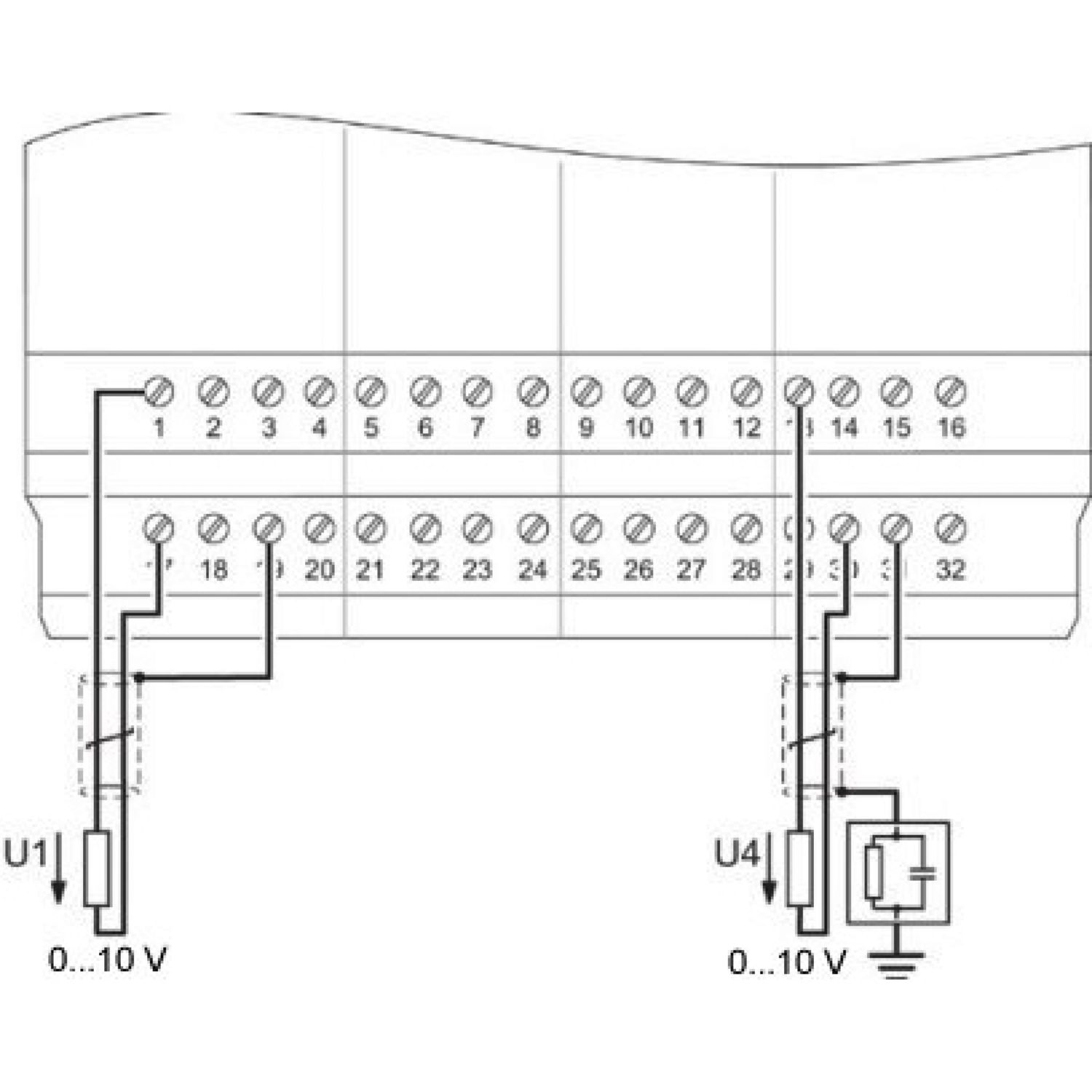
8 analog bipolar outputs
Connection of actuators in 2-conductor technology