HC-B 24-ADP-VC-1
-
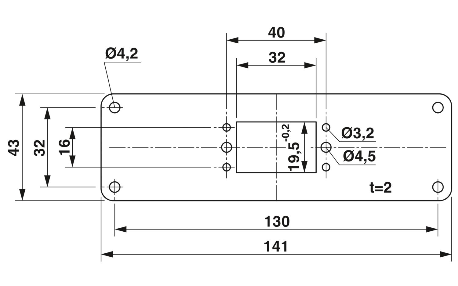
Adapter plate
1885813
Adapter plates 2 mm thick, for panel cutouts of HC-B 24 size, including 1.5 mm flat gasket, size 1
Adapter plates 2 mm thick, for panel cutouts of HC-B 24 size, including 1.5 mm flat gasket, size 1