PSR-MC60-2NO-1DO-24DC-SC
-
Safety relays
2700571
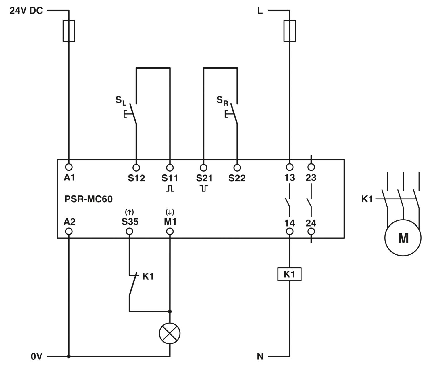
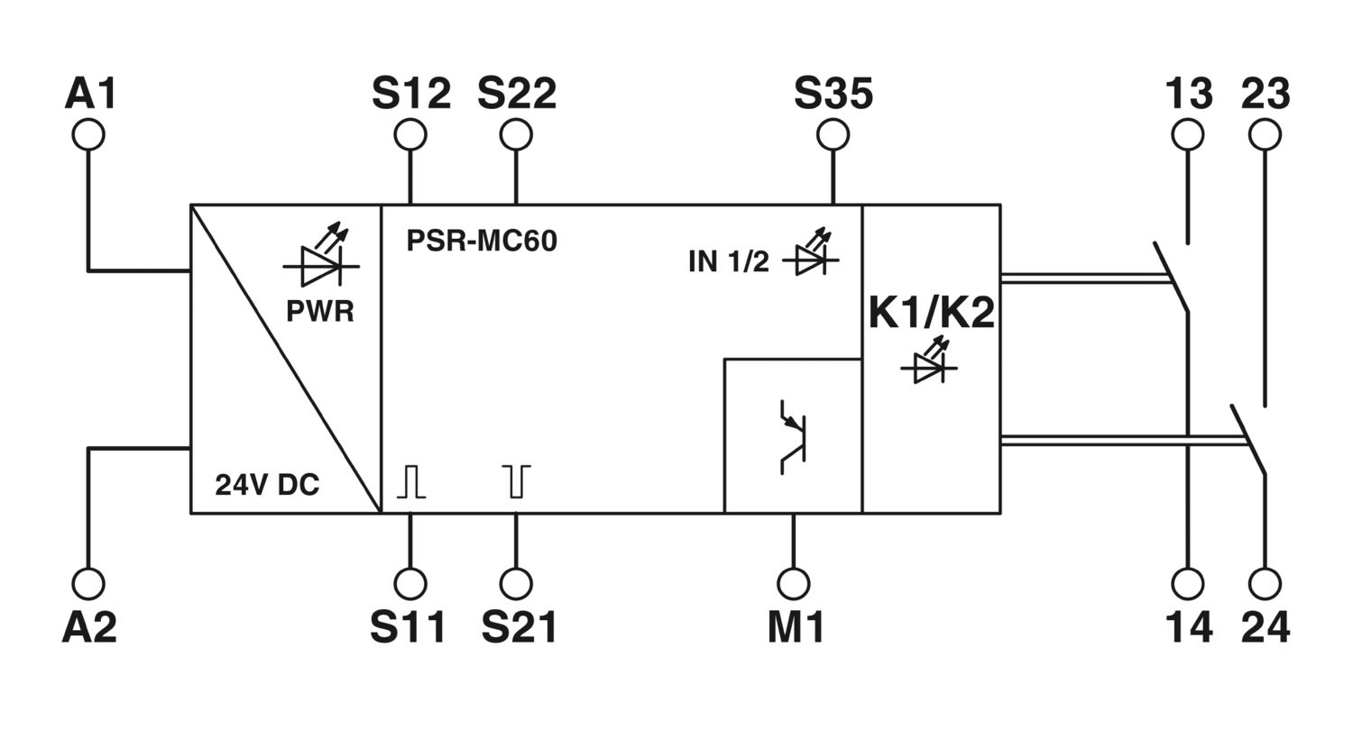
Safety relay for two-hand controls in accordance with ISO 13851 type IIIA, up to SIL 1, Cat. 1, PL c, synchronous activation monitoring < 0.5 s, 2 enabling current paths, US = 24 V DC, plug-in screw terminal block
Free download available.
Downloads
Product details
| Product family | PSRmini |
| Application | Two-hand control |
| Relay type | Electromechanical relay with force-guided contacts in accordance with IEC/EN 61810-3 |
| Insulation characteristics: Air clearances and creepage distances between the power circuits | |
| Overvoltage category | III |
| Degree of pollution | 2 |
| Times | |
| Typical response time | < 40 ms |
| Typical release time | < 10 ms (when controlled via S12/S22) |
| < 5 ms (when interrupted via A1; applicative deactivation via A1/A2 is not permitted) | |
| Restart time | < 2 s (Boot time) |
| Recovery time | < 500 ms |
| Maximum power dissipation for nominal condition | 3.12 W (at US = 30 V, IL² = 72 A²) |
| Nominal operating mode | 100% operating factor |
| Air clearances and creepage distances between the power circuits | |
| Rated insulation voltage | 250 V AC |
| 250 V AC | |
| Rated surge voltage/insulation | See data sheet, section “Insulation coordination”. |
| Supply | |
| Designation | A1/A2 |
| Rated control circuit supply voltage US | 19.2 V DC ... 30 V DC |
| Rated control circuit supply voltage US | 24 V DC -20 % / +25 % |
| Rated control supply current IS | typ. 35 mA |
| Power consumption at US | typ. 0.9 W |
| Inrush current | typ. 20 A (Δt = 10 µs at Us) |
| Filter time | 10 ms (For the logic. At A1 in the event of voltage dips at Us ) |
| Protective circuit | Surge protection; Suppressor diode |
| Protection against polarity reversal for rated control circuit supply voltage | |
| Digital: Sensor circuit (S12, S22) | |
| Description of the input | safety-related sensor inputs |
| Number of inputs | 2 |
| Inrush current | < 5.5 mA (with Us/Ix to S12) |
| > -5.5 mA (with Us/Ix to S22) | |
| Concurrence | < 0.5 s |
| Max. permissible overall conductor resistance | 150 Ω |
| Current consumption | < 5.1 mA (with Us/Ix to S12) |
| > -5.1 mA (with Us/Ix to S22) | |
| Digital: Feedback circuit (S35) | |
| Description of the input | non-safety-related |
| Number of inputs | 1 |
| Inrush current | < 5.5 mA (typ. with US) |
| Max. permissible overall conductor resistance | 150 Ω |
| Voltage at input/start and feedback circuit | 24 V DC -20 % / +25 % |
| Current consumption | < 5.1 mA (typ. with US) |
| Relay: Enabling current paths (13/14, 23/24) | |
| Output description | safety-related N/O contacts |
| Number of outputs | 2 (undelayed) |
| Contact switching type | 2 enabling current paths |
| Contact material | AgSnO2 (enabling current path) |
| Switching voltage | min. 12 V AC/DC |
| max. 250 V AC/DC | |
| Switching power | min. 60 mW |
| Inrush current | min. 3 mA |
| max. 6 A | |
| Limiting continuous current | 6 A |
| Sq. Total current | 72 A2 (observe derating) |
| Switching frequency | 0.1 Hz |
| Mechanical service life | 10x 106 cycles |
| Output fuse | 6 A gL/gG (N/O contact) |
| Signal: M1 | |
| Output description | PNP |
| non-safety-related | |
| Number of outputs | 1 (digital, PNP) |
| Voltage | 22 V DC (Us - 2 V) |
| Current | max. 100 mA |
| Maximum inrush current | 500 mA (Δt = 1 ms at Us) |
| Short-circuit protection | Yes |
| Connection technology | |
| pluggable | yes |
| Conductor connection | |
| Connection method | Screw connection |
| Conductor cross-section rigid | 0.2 mm² ... 2.5 mm² |
| Conductor cross-section flexible | 0.2 mm² ... 2.5 mm² |
| Conductor cross-section AWG | 24 ... 12 |
| Stripping length | 7 mm |
| Screw thread | M3 |
| Status display | 5 x bi-color LED |
| Width | 12.5 mm |
| Height | 112.2 mm |
| Depth | 114.5 mm |
| Color | yellow |
| Housing material | PA |
| Safety data | |
| Stop category | 0 |
| Type class | IIIA |
| Safety data: EN ISO 13849 | |
| Performance level (PL) | c |
| Safety data: IEC 61508 - High demand | |
| Safety Integrity Level (SIL) | 1 |
| Safety data: EN IEC 62061 | |
| Safety Integrity Level (SIL) | 1 |
| Ambient conditions | |
| Degree of protection | IP20 |
| Min. degree of protection of inst. location | IP54 |
| Ambient temperature (operation) | -35 °C ... 60 °C (observe derating) |
| Ambient temperature (storage/transport) | -40 °C ... 85 °C |
| Maximum altitude | ≤ 2000 m (Above sea level) |
| Max. permissible humidity (storage/transport) | 75 % (on average, 85% infrequently, non-condensing) |
| Max. permissible relative humidity (operation) | 75 % (on average, 85% infrequently, non-condensing) |
| Shock | 15g |
| Vibration (operation) | 10 Hz ... 150 Hz, 2g |
| CE | |
| Identification | CE-compliant |
| Air clearances and creepage distances between the power circuits | |
| Standards/regulations | IEC 60664-1 |
| Mounting type | DIN rail mounting |
| Assembly note | See derating curve |
| Mounting position | vertical or horizontal |
| Item number | 2700571 |
| Packing unit | 1 pc |
| Minimum order quantity | 1 pc |
| Note | Made to order (non-returnable) |
| Sales key | DNA |
| Product key | DNA181 |
| GTIN | 4046356988353 |
| Weight per piece (including packing) | 148.2 g |
| Weight per piece (excluding packing) | 115.32 g |
| Customs tariff number | 85371098 |
| Country of origin | DE |
UNSPSC
| UNSPSC 21.0 | 39121100 |
| EU RoHS | |
| Fulfills EU RoHS substance requirements | Yes |
| Exemption | 7(a), 7(c)-I |
| China RoHS | |
| Environment friendly use period (EFUP) |
EFUP-50
An article-related China RoHS declaration table can be found in the download area for the respective article under "Manufacturer declaration". For all articles with EFUP-E, no China RoHS declaration table issued and required.
|
| EU REACH SVHC | |
| REACH candidate substance (CAS No.) | Lead (CAS: 7439-92-1) |
Your advantages
Depending on the application, up to cat. 4/PL e in accordance with ISO 13849-1, SIL CL 3 in accordance with EN IEC 62061
Type IIIA in accordance with ISO 13851
Low housing width of just 12.5 mm
2 enabling current paths, 1 digital signal output
Automatic activation
PHOENIX CONTACT Middle East FZ LLC
1201N-1206N, Dubai Science Park Towers - North, P.O. Box 345002, Dubai, United Arab Emirates