SAC-3P-3,0-PVC/BI-1L-S 230V180 - Sensor/actuator cable
1548998

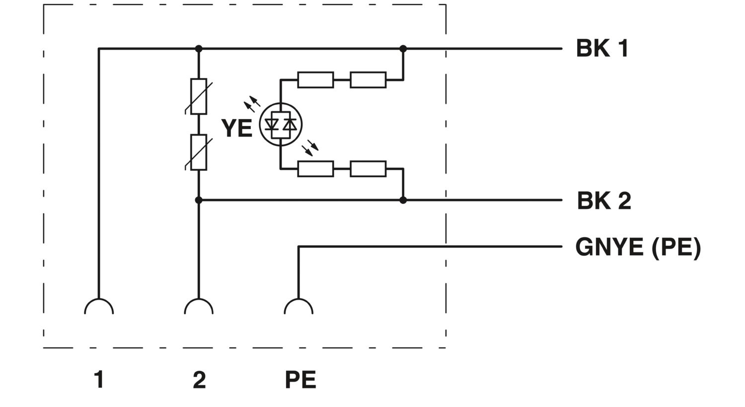
Sensor/actuator cable, 3-position, free cable end, on Valve connector BI (11 mm), with 1 LED, Wiring: Varistor, cable length: 3 m

Product details








Compatible products